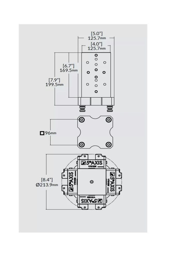
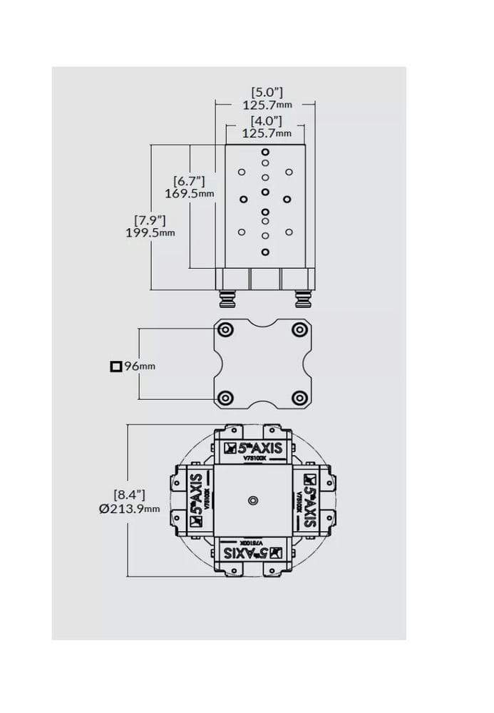
5ᵗʰAXIS塔式零點快換基座

  • 產品型號| R96-V75XT4